Metrol H4A-12S Tool Setter for Turning Centre
Product Info
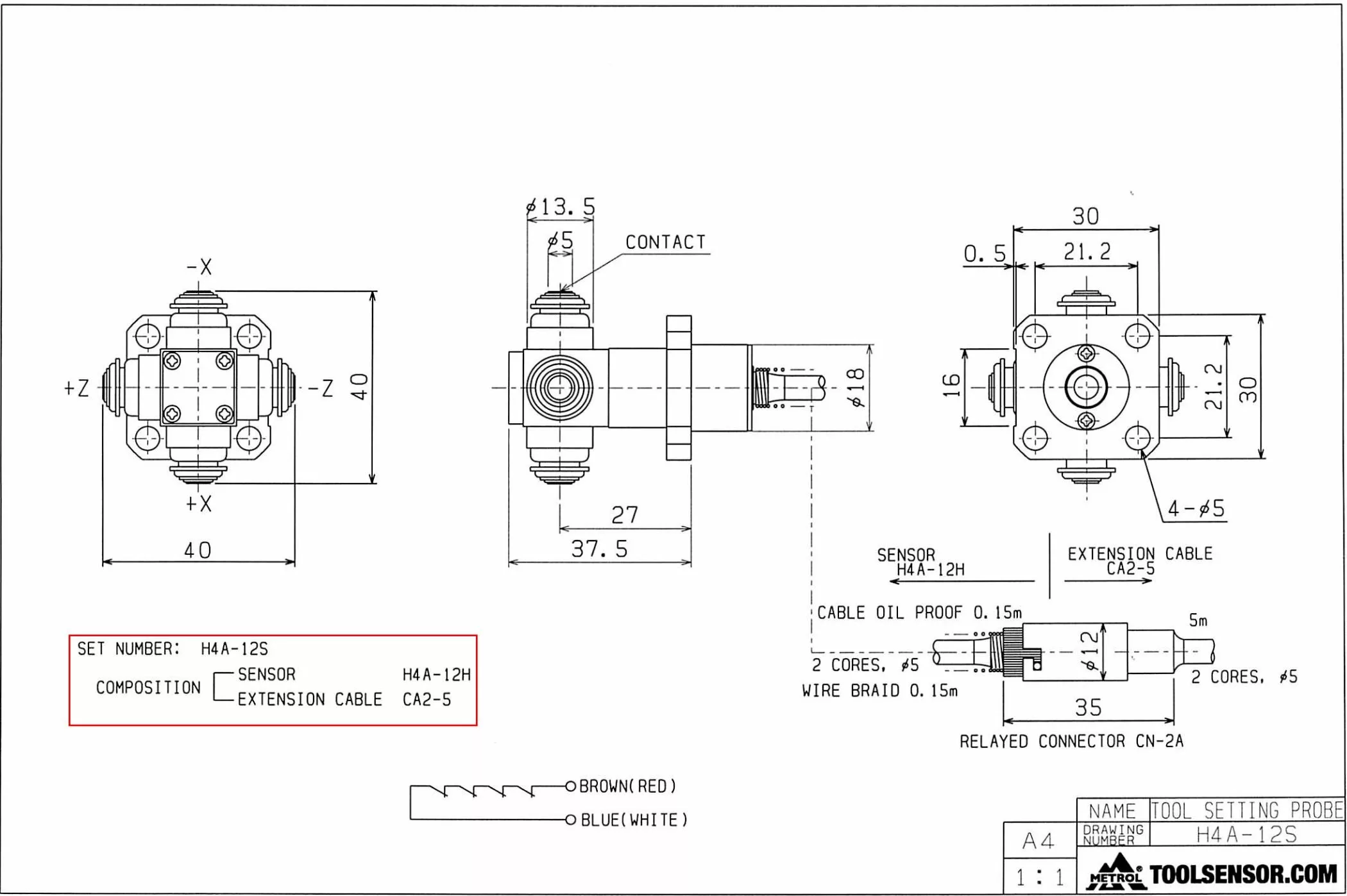
This is a replacement Metrol H4A-12S Tool setter probe commonly found on many CNC Turning Centres.
- H4A-12S improve tool life of CNC lathe by precision tool wear detection.
- Machining accuracy will be always maintained within tolerance.
- Reduction in rejection by tool breakage detection.
Specification
| Product number | H4A-12S |
|---|---|
| Repeatability | 0.001mm |
| Contact life time | 3,000,000 times |
| Stroke | 2mm |
| Contact force | 2N |
| Protective structure | IEC IP67 |
| Country of origin | JAPAN |
| Remarks | Including option Extension Cable |
Estimated Delivery on 16, April 2026









Reviews